Modelování a simulace dynamických systémů
B3B35MSDDomácí úkol č.11
Vytvořte matematický (simulační) model H-můstku a jeho driveru použitých pro řízení stejnosměrného motoru pomocí PWM napětí. Můstek a jeho driver nechť umožňují provoz ve třech různých módech, značené jako A, B a C. (vizte níže) Pro tvorbu modelu si zvolte buď platformu OpenModelica nebo Simscape, a to buď v textovém nebo grafickém režimu.
Uvažujte stejné parametry jako jsou v laboratorním experimentu s rotačním inverzním kyvadlem, tedy spínací frekvenci 25,3 kHz a napájecí napětí s amplitudou 14,4 V. Parametry motoru jsou : https://moodle.fel.cvut.cz/pluginfile.php/210277/mod_page/content/5/35%20NT2R%2082%20426SP%2025.pdf
Funkci vašeho modelu demonstrujte ve všech třech módech pomocí numerických simulací, při kterých H-můstek připojíte k motoru (bez další mechanické zátěže) a tento budete roztáčet z klidu (nulové rychlosti) PWM napětím s činitelem plnění 30%.
Jako výstup odevzdejte vytvořený model a ".pdf". Odevzdávejte tedy dva soubory, vložené do odevzdávacího systému zvlášť.
V ".pdf" souboru stačí uvést pouze jeden graf se simulovanými průběhy rychlosti hřídele motoru pro všechny tři módy spínání (samozřejmě s popiskem). Dobu simulace nastavte tak, aby byla z grafu patrná ustálená hodnota rychlosti pro všechny tři módy spínání.
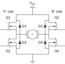
Módy spínání:
Režimy A, B a C. se liší ve spínání tranzistorů. Pokud je PWM signál v logické 1, jsou tranzistory pro všechny tři módy sepnuté stejně: Q1 a Q4. Pokud je signál v logické 0, jsou pro:
- A: Motor je zkratovaný skrze tranzistory Q1 a Q3. Tedy sepnuté jsou tranzistory Q1 a Q3.
- B: Motor je zkratovaný skrze tranzistor Q1 a diodu u tranzistoru Q3. Tedy sepnutý je pouze tranzistor Q1.
- C: Sepnuté jsou protilehlé tranzisotry Q2 a Q3.

Módy A, B a C se v literatuře nazývají (anglicky) po řadě jako Sign-Magnitude, Asynchronous Sign-magnitude a Lock Anti-Phase. Toto názvosloví ale není v literatuře jednotné. Více k této problematice se můžete dočíst v doporučené literatuře níže (doporučujeme 1. H-bridge secrets).
Doporučená literatura
- H-bridge secrets. [Online] Dostupné z: http://modularcircuits.tantosonline.com/blog/articles/h-bridge-secrets/
- Slow, Mixed and Fast Decay Modes. Why Do We Need To Complicate Things? [Online]. Dostupné z: http://ebldc.com/?p=86.
- Current recirculation and decay modes. TI. Dostupné z http://www.ti.com/lit/an/slva321/slva321.pdf.